产品分类

带状缆线-2

分享:
加入洽询

由于产品图片仅为概念展示用之代表项目,因此若您无法在产品目录内找到您所需的产品或资讯,欢迎您直接与我们联系洽询

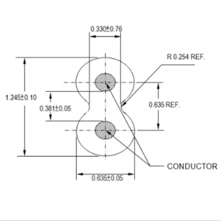
Dimension(width & thickness)/ Flexibility / Abrasion / Chemical / Loading Strength / Small Quantity Production

相关产品

CLOSE
Language
洽询车

你的洽询车总计 0 件产品

语系选择