PRODUCTS

Custom Engineering 
Custom made OEM & ODM Servlce.

Conductor & Stranding (50 AWG min)
Bare Copper, Bunched Strands. Concentric Lay Stranding, Copper Clad Steel, High Strength Copper Alloy, Nickel Plated Copper, Pure Silver, Rope Lay Stranding, Silver Plated Copper, Tinned Copper, Tinsel Copper, Unilay Stranding.

Shielding
Spiral(50 AWG), Braiding(50 AWG), AL/MY, PTEE TAPE, Mylar...

Insulation & Jacket Material
FEP, Fiberglass Braids, Hytrel, Nylon, Low Smoke/Halogen Free, PFA,Polyethylene, Polypropylene, Polyurethane, PTFE, PVC, Silicone Rubber, Tefzel. TPR, TPE, TPU, TPV(Santoprene, Sarlink...), PUR.

Reinforcement 
-Kevlar, Nylon yarn, cotton yarn, Nomex, Technora, glass fiber...
Due to product images are only for the brief concepts and ideas, if you can't find any information or product you need in this page, please feel free to Contact us directly.
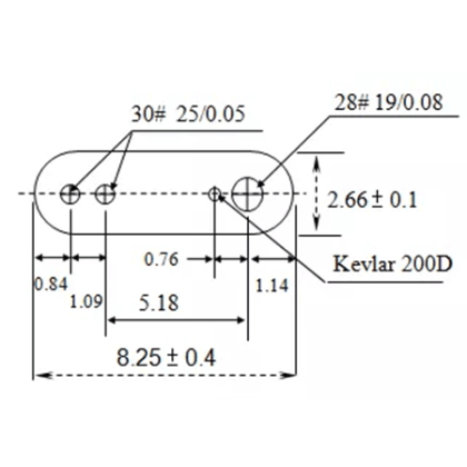
custom cable-12

custom cable-12

Add Inquiry
custom cable-11

custom cable-11

Add Inquiry
custom cable-10

custom cable-10

Add Inquiry
custom cable-9

custom cable-9

Add Inquiry
custom cable-8

custom cable-8

Add Inquiry
custom cable-7

custom cable-7

Add Inquiry
CLOSE
Language
Inquiry Cart

Your inquiry cart total 0 items

Language selection